0
0
0
Избранное
Корзина

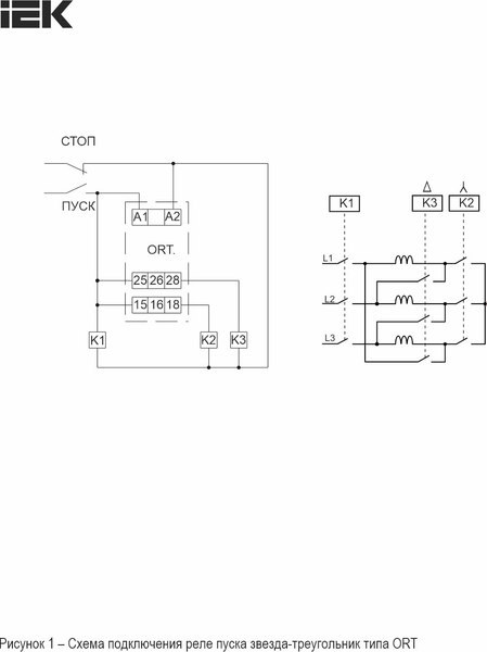
Реле времени IEK ORT-ST-AC400V

Номинальный ток нагрузки: 16 А
Напряжение цепи управления постоянного тока: 400
400 В
Характеристики
Дополнительная информация
Тип реле времени
Серия ORT (IEK)
Цвет серый
Частота 50;60
Высота 95
Глубина 64
Ширина 18
Вес 0.08
Номинальный ток нагрузки 16
Индикация состояния светодиод
Степень пыле- и влагозащиты IP40
Степень загрязнения 2
Количество модульных расстояний 1
Количество переключающих контактов (COM) 2
Напряжение цепи управления постоянного тока 400;400

Отзывы

У этого товара нет ни одного отзыва. Вы можете стать первым.

Вы смотрели

Хочешь узнавать про акции и скидки первым?
Я согласен с условиями Пользовательского соглашения
Добавлен в корзину: