0
0
0
Избранное
Корзина

Реле тепловое IEK DRT50-0090-0120

Характеристики
Дополнительная информация
Тип реле тепловое
Серия РТИ (IEK)
Цвет черный
Количество NO (НО) контактов 1
Частота 0;400
Напряжение изоляции 1000;1000
Импульсное напряжение 8;8
Регулировка тока уставки 90;120
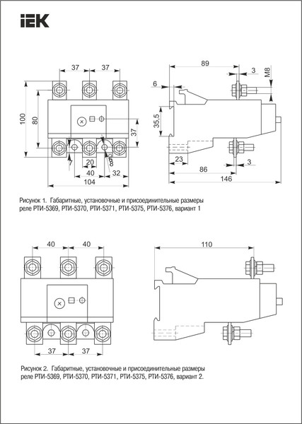
Высота 100
Глубина 146
Ширина 104
Вес 0.9
Индикация состояния светодиод
Диапазон рабочих температур -25;55
Количество NC (НЗ) контактов 1

Отзывы

У этого товара нет ни одного отзыва. Вы можете стать первым.

Вы смотрели

Хочешь узнавать про акции и скидки первым?
Я согласен с условиями Пользовательского соглашения
Добавлен в корзину: