0
0
0
Избранное
Корзина

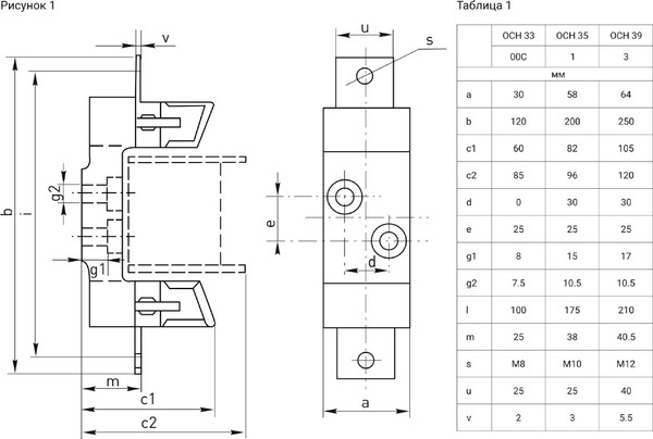
Основание для предохранителя ETP ППН-39 габ. 3 / 24184

Тип предохранителя: ППН-39
Габарит предохранителя: 3
Номинальное напряжение переменного тока:
660 В
Длина: 64 мм
Ширина/диаметр: 105 мм
Высота: 250 мм
Характеристики
Дополнительная информация
Тип основание для предохранителя
Габарит предохранителя 3
Тип тока переменный
Номинальное напряжение переменного тока ;660
Длина 64
Ширина/диаметр 105
Вес 1280
Тип предохранителя ППН-39
Частота сети 50;50
Высота 250

Отзывы

У этого товара нет ни одного отзыва. Вы можете стать первым.

Вы смотрели

Хочешь узнавать про акции и скидки первым?
Я согласен с условиями Пользовательского соглашения
Добавлен в корзину: